一、使用条件
本产品适用于稀油循环润滑系统中,其工作介质为汽轮机油、20~25号机械油及轧钢机油,运动粘度等级为N22~N460(相当ISO VG22~VG460)。
稀油站的公称供油压力为0.63MPa;过滤精度0.08~0.12mm;冷却水温≤28℃;冷却水压力0.2~0.3MPa;换热器进油温度为50℃,温降7~8℃;使用蒸汽加热时蒸汽压力为0.2~0.4MPa。
二、工作原理
工作时,油液由齿轮泵从油箱吸出,经单向阀、双筒油滤器、列管式油冷却器,被直接送到设备的工艺润滑点。油站的高供油压力为0.4MPa,低供油压力为0.1MPa,根据润滑点的要求,通过调节安全阀设定使用压力,当油站的工作压力超过安全阀的调定压力时,安全阀将自动打开,多余的油液即流回油箱。正常工作时,油泵一台工作、一台备用。有时设备耗油量由于某种原因需要增加时,则系统压力下降,当降到调定值时,通过压力控制器调节,备用泵自动开启,与工作泵一起工作,直到压力正常时,备用泵自动停止。若油压继续下降到另一调定值时,则通过另一压力控制器调节,发出事故警报。
双筒网油滤器的一组过滤滤芯工作,一组过滤滤芯备用,在进出口处接有差压发讯器,当压差超过0.15MPa(≥250L/min稀油站为0.15~0.1MPa),人工切换,备用滤芯工作,取出原工作滤芯,清洗或更换滤片。
油站出油口接有压力式电接点温度计,根据供油温度要求,调定高和低两个界限。在低温时,信号灯亮,人工开启加热器进行加热,当油温升至高点时,自动切断加热器,停止加热;供油口温度高时,报警并开冷却器。
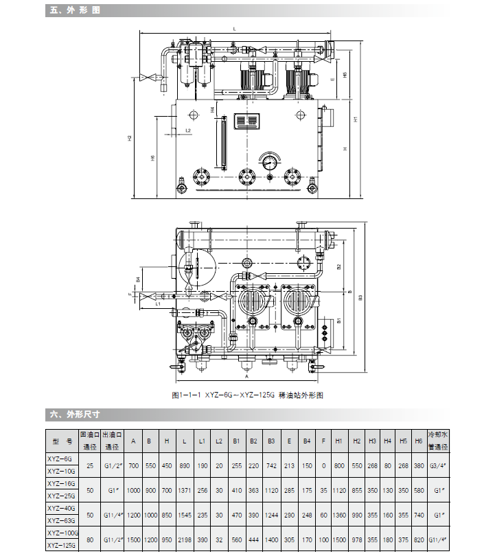
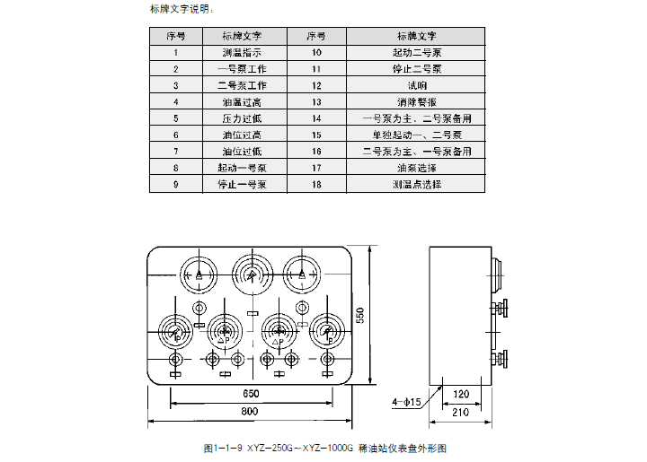
≥250L/min稀油站,采用蒸汽加热油箱中的润滑油,仪表盘尚多一检测冷却器进出水管压差的仪表,其主要部件均另外装于基础上;而≤125L/min稀油站的全部部件都装在油箱上,为整体式结构。
三、结构特点
a)设有备用油泵,可保证向润滑点连续供油。
b)过滤器放在冷却器之前,可提高过滤和通过能力;更适合较高粘度的润滑介质。
c)采用双筒式过滤器,可不停车进行滤芯的清洗和更换。
d)采用列管式油冷却器,阻力小,便于维修。
e)回油设有磁网过滤,可吸附清除油液中铁氧性微粒,保证油液清洁度及降低润滑部件的磨损。
f)配有仪表盘和电控箱,观察运行参数方便,可实现自动控制和事故报警。









十二、订货说明
1、订货标记示例:
如订购上述JB/ZQ/T4147-91标准的稀油站则作如下标记:
例如:订购公称流量125L/min 的稀油站则标记为:
XYZ-125G稀油站(JB/ZQ/T4147-91)
若订购公称流量400L/min 但不带冷却器的稀油站
XYZ-400A稀油站(JB/ZQ/T4147-91)
注:“A”取代“G”为不带冷却器的稀油站。
2、若换热器采用板式冷却器,请在订货合同中注明,外形图及地基尺寸需作相应改变。
3、标准稀油站为成套供应,带电控柜及仪表盘,若不带电控柜或仪表盘,请在订货合同中说明:若要求PLC控制,也请说明,并根据要求另行议价。
4、稀油站的润滑油牌号和粘度,过滤精度也需注明,若过滤精度高于0.08mm或对滤芯材质有要求的也应说明,价格相应变化。
5、对稀油站有特殊要求的,应作非标订货,价格协商确定。